“지하주차장 램프 경사도, 도면(dwg)”
이번 글에서는 “지하주차장 램프” 경사도, 도면(dwg)와 함께 최근 이슈가 되고 있는 램프 시점부, 종착부 완화구간 기준까지 살펴보도록 하겠습니다.
이와 관련된 기준은 주차장법 시행규칙에 자세히 나와있는데요, 우선 법 원문이 궁금하시면 아래 글을 확인해주세요.
지하주차장 램프 경사도
※ 램프 경사도는 직선 부분, 곡선 부분에 따라서 경사도가 정해져 있습니다.
직선 부분 : 17% 이내
곡선 부분 : 14% 이내
관련근거
① 법 제6조제1항에 따른 노외주차장의 구조ㆍ설비기준은 다음 각 호와 같다.
5. 지하식 또는 건축물식 노외주차장의 차로는 제3호의 기준에 따르는 외에 다음 각 목에서 정하는 바에 따른다.
라. 경사로의 종단경사도는 직선 부분에서는 17퍼센트를 초과하여서는 아니 되며, 곡선 부분에서는 14퍼센트를 초과하여서는 아니 된다.
지하주차장 램프 도면
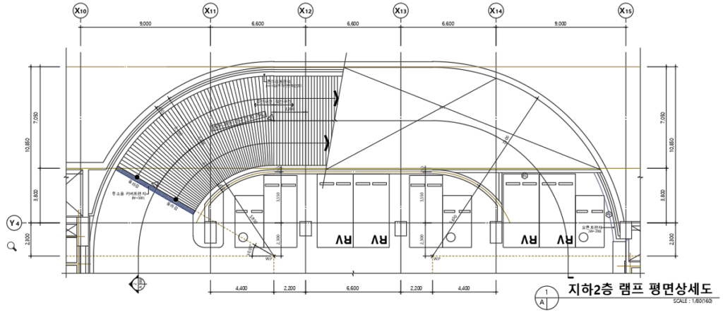
지하2층 램프 평면도
※ CAD 도면 자료를 받으시려면 다음을 확인하세요.
지하1층 램프 평면도
지상1층 램프 평면도
램프 단면 상세도
지하주차장 램프 dwg
※ 지하주차장 램프 CAD파일을 받으시려면 다음을 확인하세요.
램프 경사로 완화구간
※ 경사로 완화구간 설치기준이 궁금하시면 다음을 확인하세요.
관련근거
① 법 제6조제1항에 따른 노외주차장의 구조ㆍ설비기준은 다음 각 호와 같다.
5. 지하식 또는 건축물식 노외주차장의 차로는 제3호의 기준에 따르는 외에 다음 각 목에서 정하는 바에 따른다.
사. 주차대수 규모가 50대 이상인 경우의 경사로는 다음 기준에 따라 설치해야 한다.
1) 너비 6미터 이상인 2차로를 확보하거나 진입차로와 진출차로를 분리할 것
2) 별표 1에서 정하는 바에 따라 완화구간(경사로를 지나는 자동차가 지면에 접촉하지 않도록 종단경사도가 경사로 최대 종단경사도의 2분의 1 이하로 설계된 구간을 말한다)을 설치할 것
주차장법 시행규칙 [별표1] 완화구간의 설치기준 [제6조제1항제5호사목2)관련]
| 대상 주차장 | 완화구간의 설치 | 완화구간의 길이 |
| 주차대수 규모가 50대 이상 100대 미만인 주차장 |
경사로의 볼록형 부분 | 1.7m |
| 주차대수 규모가 100대 이상인 주차장 |
경사로의 볼록형 부분 | 1.7m |
| 경사로의 오목형 부분 | 2m |
비고
1. 위 표에서 “경사로의 볼록형 부분”이란 오르막 방향으로 진행하면서 종단경사도가 직선 부분의 경우 8.5퍼센트, 곡선 부분의 경우 7퍼센트 이상 감소하는 부분을 말한다.
2. 위 표에서 “경사로의 오목형 부분”이란 오르막 방향으로 진행하면서 종단경사도가 직선 부분의 경우 8.5퍼센트, 곡선 부분의 경우 7퍼센트 이상 증가하는 부분을 말한다.
맺음말
이번 글에서는 “지하주차장 램프” 경사도, 도면(dwg) 및 램프 시점부, 종착부 완화구간 기준까지 살펴보았습니다. 지하주차장 경사로가 주차장법 시행규칙의 기준에 맞춰 설계, 시공되어 안전한 운행이 되면 좋겠습니다.
※ 함께 보면 좋을 건축 관련 이슈들입니다.







